| 天津市首達永恒離合器廠是一家專業生產電磁離合器、制動器企業,是國內起步較早的專業生產電磁制動器、離合器企業,已有二十多年研制開發電磁離合器歷史。電 話:022-26992047 022-26990706 傳 真:022-26990706 |
|
||||||||||||||||||||||||||||||||

外形與安裝尺寸
|
規格 |
徑向尺寸 Radil Demensions |
軸向尺寸 Axial Demensions |
軸空尺寸 |
電刷型號 |
||||||||||||||
|
D1 |
D2 |
D3 |
D4 |
D5 |
D6 |
J |
K |
L |
L1 |
L2 |
L3 |
|
δ |
ф |
e |
h |
||
|
25 |
285 |
247 |
200 |
155 |
180 |
45 |
8—φ11 |
8S—M10深25 |
147 |
5 |
45 |
16 |
20.7 |
0.5 |
50 |
14 |
53.8 |
DS—009 |
|
40 |
315 |
265 |
210 |
170 |
195 |
50 |
8—φ13 |
8S—M12深25 |
166 |
6 |
51 |
16 |
20 |
0.7 |
55 |
16 |
59.4 |
DS—010 |

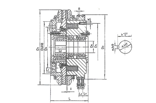
外形與安裝尺寸
|
規格 |
徑向尺寸 Radil Demensions |
軸向尺寸 Axial Demensions |
||||||||||
|
D1 |
D2 |
D3 |
D4 |
D5 |
K |
L |
L1 |
L2 |
L3 |
L4 |
δ |
|
|
50 |
350 |
237 |
188 |
224 |
120 |
6—ф12 |
122 |
105 |
73 |
4 |
3 |
O.5 |
|
80 |
402 |
242 |
194 |
280 |
165 |
6—ф13.5 |
138.5 |
115.5 |
94.5 |
4 |
6 |
0.6 |


